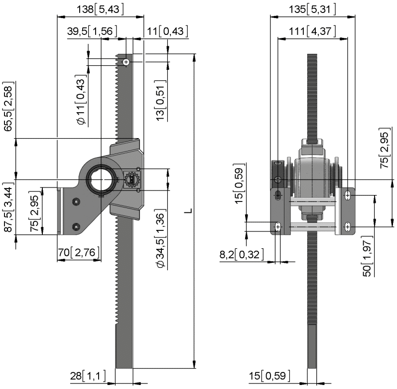
Listwa zębata z kołem zębatym ZSG 20 | 2 500 N
Listwa zębata z kołem zębatym ZSG 20 to zespół do regulacji ciężkich obiektów o sile ciągu/nacisku do 2 500 N. Posiada wbudowane łożysko dla rury łączącej napędu i umożliwia idealną synchronizację dzięki mechanicznemu połączeniu kilku elementów. Listwa i zębatka są z hartowanej stali, możliwe odchylenie listwy do 190°, skoki 600–1800 mm, w zestawie smar LUB 20.
Listwa zębata z kołem zębatym ZSG 20 to wytrzymały, kompaktowy zespół do regulacji i przestawiania ciężkich obiektów, przeznaczony do pracy przy sile ciągu lub nacisku do 2 500 N. Dzięki wbudowanemu łożysku dla rury łączącej napędu oraz możliwości mechanicznego łączenia wielu elementów, ZSG 20 ułatwia budowę układów wielopunktowych i zapewnia stabilną synchronizację ruchu. Elementy robocze wykonane z hartowanej stali, możliwość odchylenia listwy do 190° oraz smar LUB 20 w zestawie sprawiają, że to rozwiązanie jest gotowe do pracy w wymagających aplikacjach. Jeśli dobierasz zespół pod skok, montaż i sposób synchronizacji, skontaktuj się z nami – pomożemy dobrać najlepszą konfigurację.
Siła do 2 500 N – do ciężkich aplikacji
ZSG 20 jest przeznaczony do zastosowań, w których wymagane jest pewne przenoszenie dużych sił w ruchu regulacyjnym. Nośność do 2 500 N (ciąg lub nacisk) pozwala stosować rozwiązanie w systemach przestawiania i podnoszenia, gdzie stabilność, trwałość i powtarzalność mają kluczowe znaczenie.
Wbudowane łożysko dla rury łączącej napędu
Zintegrowane łożysko dla rury łączącej napędu upraszcza projekt układu i montaż, a także wspiera stabilną pracę przy dużych obciążeniach. To rozwiązanie pomaga ograniczyć dodatkowe elementy montażowe i ułatwia budowę kompletnego systemu.
Idealna synchronizacja w układach wielopunktowych
ZSG 20 umożliwia mechaniczną synchronizację poprzez połączenie kilku elementów napędu. Dzięki temu łatwo zbudować układ, w którym wiele punktów pracuje jednocześnie, a ruch jest równomierny i powtarzalny w całym zakresie pracy.
Hartowana stal – trwałość listwy i koła zębatego
Listwa zębata i zębatka wykonane są z hartowanej stali, co zwiększa odporność na zużycie i pozwala utrzymać stabilne parametry pracy w długim okresie, nawet przy intensywnej eksploatacji i dużych obciążeniach.
Odchylenie listwy do 190° i skoki 600–1800 mm
W zależności od konfiguracji i potrzeb aplikacji listwa może być odchylana pod kątem do 190°, co ułatwia dopasowanie do geometrii konstrukcji i prowadzenia ruchu. Dostępne długości skoku w zakresie 600–1800 mm pozwalają dobrać rozwiązanie do wymaganej drogi roboczej.
Smar LUB 20 w zestawie
W komplecie znajduje się smar do listwy zębatej LUB 20, co ułatwia poprawne uruchomienie układu i wspiera długą żywotność elementów współpracujących.
Modułowość i dobór pod aplikację
Rodzina zespołów zębatkowych (EZD, AZD, ZSG) oferuje szeroki wybór i modułową budowę, co ułatwia dopasowanie rozwiązania do konkretnego zadania. Seria ZSG jest przygotowana do największych obciążeń w tej grupie dzięki rozwiązaniom takim jak zintegrowane łożyskowanie, co może ograniczyć czas i nakład prac montażowych.
Jeśli chcesz dobrać wariant ZSG 20 pod swoją aplikację (skok, sposób łączenia i montaż), skontaktuj się z nami – przygotujemy dopasowaną propozycję.
ZSG 20.4200_61404.2542.00_STEP_20150226.STEP
ZSZ 20.4206_61404.2597.06_STEP_20150226.STEP
ZSZ 20.4208_61404.2597.08_STEP_20150226.STEP
ZSZ 20.4210_61404.2597.10_STEP_20150226.STEP
ZSZ 20.4212_61404.2597.12_STEP_20150226.STEP
ZSZ 20.4214_61404.2597.14_STEP_20150226.STEP